Published:2009/7/6 5:46:00 Author:May | From:SeekIC

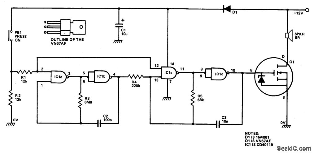
IC1a and IC1b are wired as a slow astable multivibrator and IC1c-IC1d are wired as a fast astable. Both are gated types, which can be turned on and off via PB1. The output of the slow astable modulates the frequency of the fast astable, and the output of the fast astable is fed to the external speaker via the Q1 VMOS power FET amplifier stage.
Reprinted Url Of This Article:
http://www.seekic.com/circuit_diagram/Basic_Circuit/HIGH_POWER_SIREN.html
Print this Page | Comments | Reading(3)
Code: