Published:2009/7/7 20:43:00 Author:May | From:SeekIC

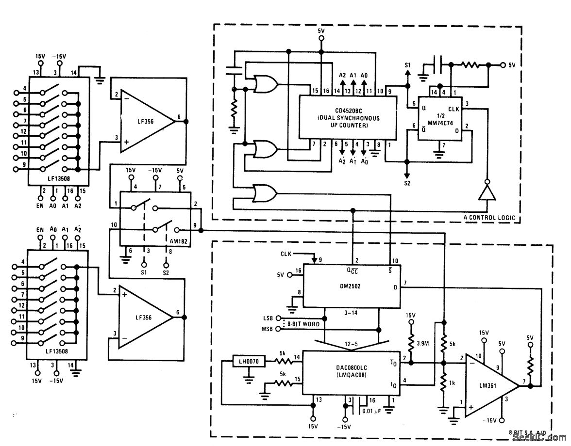
Fast two-channel multiplexer using National AM182 dual analog switch provides second-level multiplexing by accepting outputs of each LF13508 eight-channel multiplexer and feeding these outputs sequentially into 8-bit successive-approximation A/D converter. Technique makes throughput rate of system independent of analog switch speed. With maximum clock frequency of 4.5MHz,throughput rate is 31.250 samples per second per channel- FET Databook, National Semiconductor, Santa Clara, CA, 1977, p 5-79-5-80.
Reprinted Url Of This Article:
http://www.seekic.com/circuit_diagram/Basic_Circuit/HIGH_SPEED_16_CHANNEL.html
Print this Page | Comments | Reading(3)
Code: