Published:2009/7/16 1:39:00 Author:Jessie | From:SeekIC

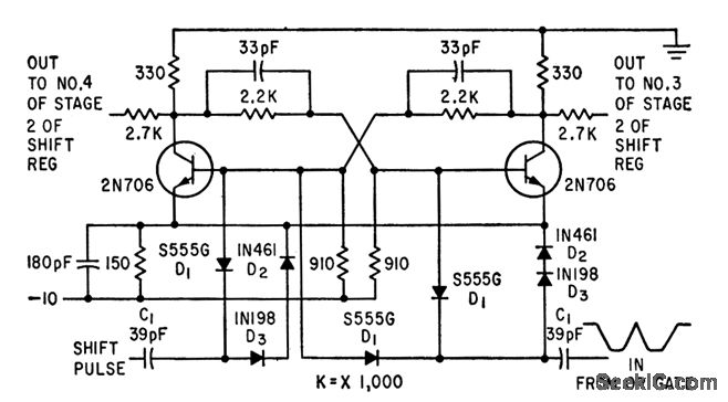
Used in producing complex pulse sequences up to 4 billion bits in length. Drives n-stage shift generator that provides modulo-2 additions.-B. K. Ericksen and J. D Schmidt, Random Pulse Generator Tests Circuits, Encodes Messages, Electronics, 34:25, p 56-59.
Reprinted Url Of This Article:
http://www.seekic.com/circuit_diagram/Basic_Circuit/HIGH_SPEED_FLIP_FLOP.html
Print this Page | Comments | Reading(3)
Code: