Published:2009/7/15 4:44:00 Author:Jessie | From:SeekIC

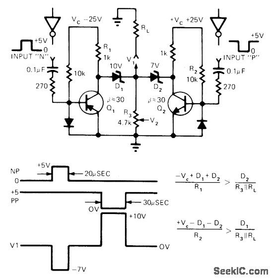
TTL circuit provides dual-polarity microsecond pulses. Pulse amplitude is adjusted by changing zeners D1, D2, or R3. Design overcomes slew-rate problems associated with most opamps.-L. Johnson, Dual-Polarity Pulses from TTL Logic, EDN Magazine, April 20, 1974, p 91.
Reprinted Url Of This Article:
http://www.seekic.com/circuit_diagram/Basic_Circuit/HIGH_SPEED_PULSES.html
Print this Page | Comments | Reading(3)
Code: