Published:2009/7/16 1:32:00 Author:Jessie | From:SeekIC

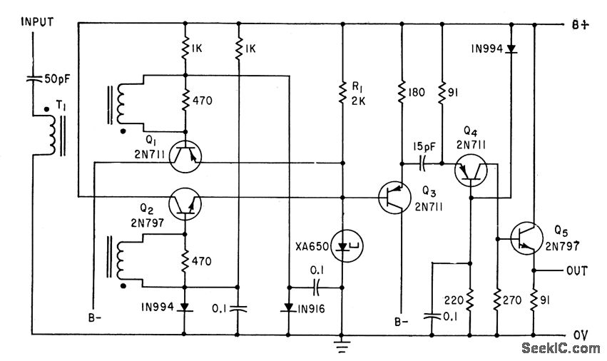
Tunnel diode with Q1-Q2, driven by series of positive or negative pulses at input repetition rates up to 140 Mc, can provide pulses capable of triggering successive pulse amplifier stages Q3, Q4, and Q5.-W. V. Harrison and R. S. Foote, Tunnel Diodes Increase Digital-Circuit Switching Speeds, Electronics, 34:32, p 154-156.
Reprinted Url Of This Article:
http://www.seekic.com/circuit_diagram/Basic_Circuit/HIGH_SPEED_TUNNEL_DIODE_BINARY.html
Print this Page | Comments | Reading(3)
Code: