Published:2009/7/13 23:05:00 Author:May | From:SeekIC

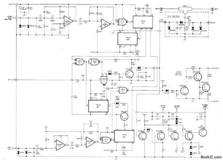
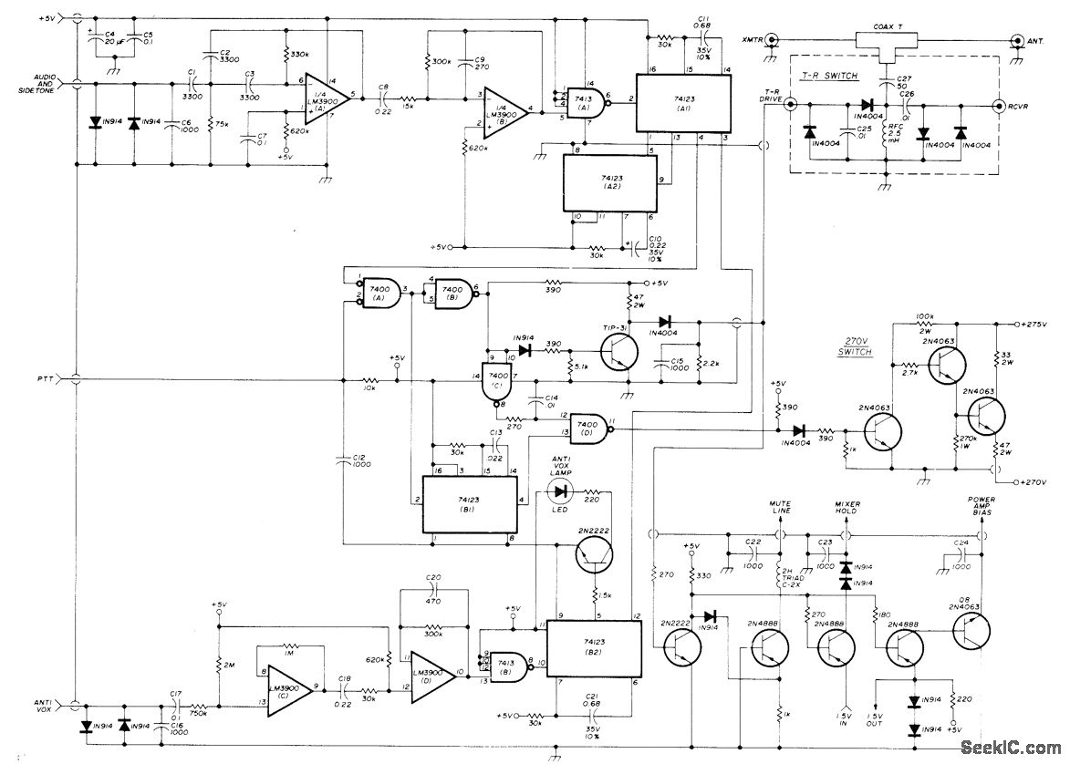
Use of switching transistors for rapid, silent voice-controlled switching of transmitter-receiver functions improves on-the-air effectiveness of SSB station. Conversation is essentially the same as when using telephone. Each set of contacts that would open or close single circuit in relay-type VOX is replaced by switching transistor. TR switch is diode-biased antenna gate in which actual switching takes place 200 μs before RF appears, being accomplished by forward-biasing diode with DC voltage. Input to LM3900 is through high-pass filter. Operation of similar solid-state VOX circuit is described in detail in earlier article by same author (see author index),-H. R. Hildreth, Syllabic VOX System for the Collins S-Line, Ham Radio, Oct. 1977, p 29-33.
Reprinted Url Of This Article:
http://www.seekic.com/circuit_diagram/Basic_Circuit/HIGH_SPEED_VOX.html
Print this Page | Comments | Reading(3)
Code: