Published:2011/8/25 1:42:00 Author:Ecco | Keyword: typical application | From:SeekIC

Reprinted Url Of This Article:
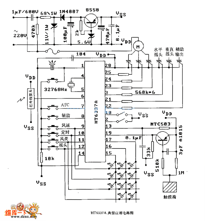
http://www.seekic.com/circuit_diagram/Basic_Circuit/HT6337A_typical_application_circuit_diagram.html
Print this Page | Comments | Reading(3)
Code: