Published:2011/4/24 22:34:00 Author:May | Keyword: address / control, end parallel terminal | From:SeekIC

Reprinted Url Of This Article:
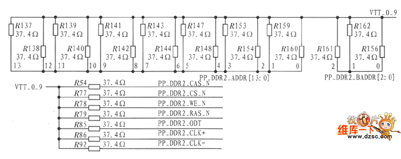
http://www.seekic.com/circuit_diagram/Basic_Circuit/HY5PS121621BFP_address___control_end_parallel_terminal_circuit_diagram.html
Print this Page | Comments | Reading(3)
Code: