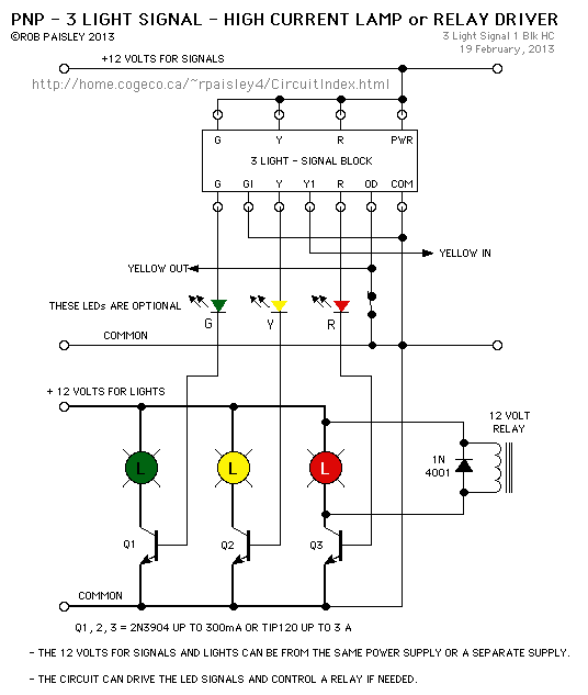
Published:2013/5/28 21:48:00 Author:muriel | Keyword: High Current Adapter , Larger Lamps | From:SeekIC

Reprinted Url Of This Article:
http://www.seekic.com/circuit_diagram/Basic_Circuit/High_Current_Adapter_For_Larger_Lamps.html
Print this Page | Comments | Reading(3)
Code: