Published:2011/7/16 22:44:00 Author:nelly | Keyword: High Speed, Gate Drive | From:SeekIC


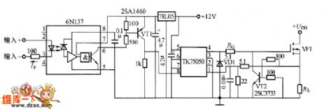
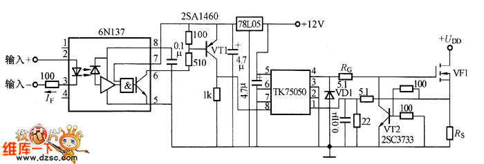
The high speed gate driving circuit shown in the picture is composed of 6N137and TK75050. In the circuit, the electric level conversion transistor VT1 applies the 2SA1460 type high speed switch transistor. TK75050 drives the IC for the power MOSFT, and the low level of its input Threshold voltage is 1V,and the high level is 1.6V. The 12V power is the 5V working voltage which is provided by 6M37 through the three-end integrated stabilizer.
Reprinted Url Of This Article:
http://www.seekic.com/circuit_diagram/Basic_Circuit/High_Speed_Gate_Driving_Circuit.html
Print this Page | Comments | Reading(3)
Code: