Published:2011/7/4 19:21:00 Author:Lucas | Keyword: High voltage, follower | From:SeekIC

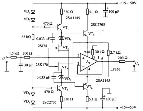
In the circuit, source follower circuit is composed of the VT3 and VT4, and Al is the voltage follower circuit, and the VT2 and VT6 connected to pin 7 and pin 4 of A1 form emitter follower circuit. The potential of pin 7 and pin 4 is the shifting of input signal voltage level, and therefore, the input signal is large, the voltage of output end and each power supply end keep constant with about 5V. As Al chip current signal flowing phase compensation capacitor is greatly improved, then the switching rate is increased and high-frequency distortion is greatly reduced.
Reprinted Url Of This Article:
http://www.seekic.com/circuit_diagram/Basic_Circuit/High_voltage_follower_circuit.html
Print this Page | Comments | Reading(3)
Code: