Published:2009/7/16 3:37:00 Author:Jessie | From:SeekIC

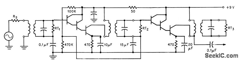
Separate collector circuit for, third Transistor of Darlington configuration prevents refection of high capacitance back to input, thereby dissipating Miller effect.-Y. Tarui, Japan Seeks Its Own Route to Improved IC Techniques, Electronics, 38:25, p 90-98.
Reprinted Url Of This Article:
http://www.seekic.com/circuit_diagram/Basic_Circuit/IMPROVED_DARLINGTON.html
Print this Page | Comments | Reading(3)
Code: