Published:2009/7/13 21:36:00 Author:May | From:SeekIC

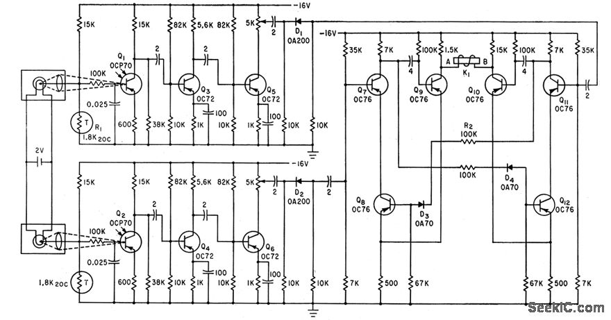
System registers appearance of bats and other moving objects moving through curtain of infrared light. Logic circuit determines direction of travel. Direction and pass time are automatically printed by mechanical register K1.-P. A. Tove and J. Czekajewski, infrared Curtain System Detects and Counts Moving Objects, Electronics, 34:31, p 40-43.
Reprinted Url Of This Article:
http://www.seekic.com/circuit_diagram/Basic_Circuit/INFRARED_CURTAIN_BIRD_COUNTER.html
Print this Page | Comments | Reading(3)
Code: