Published:2009/7/7 8:17:00 Author:May | From:SeekIC


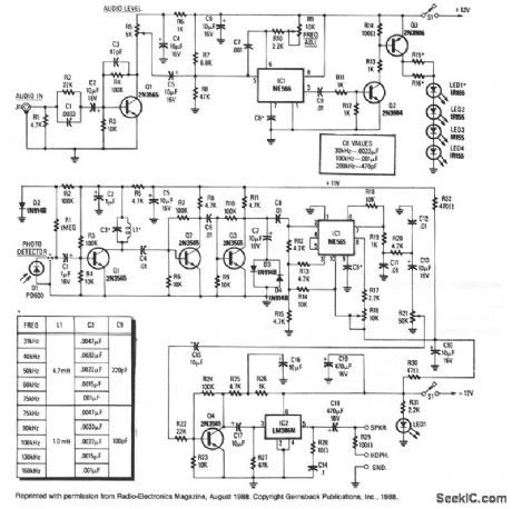
Although the IR region is free from radio interference, it is subject to interference front incandescent lamps, fluorescent lamps, stray reflections, and other sources.A simple way to overcome that problem is to create a carrier by chopping the IR radiation at a rate of 100 kHz. The audio then modulates the carrier by modulating the chopping rate. A receiver then detects the IR beam as a 100-kHz FM signal. The only disadvantage is that instead of a simple audio amplifier, a high-gain FM receiver is necessary. However, with the ICs that are now available, an FM receiver is easy to build, and contains little more circuitry than a high-gain audio amplifier. The kit is available from North Country Radio, P.O. Box 53, Wykagyl Station, NY 10804.
Reprinted Url Of This Article:
http://www.seekic.com/circuit_diagram/Basic_Circuit/INFRARED_WIRELESS_SPEAKER_SYSTEM.html
Print this Page | Comments | Reading(3)
Code: