Published:2009/7/14 4:25:00 Author:May | From:SeekIC

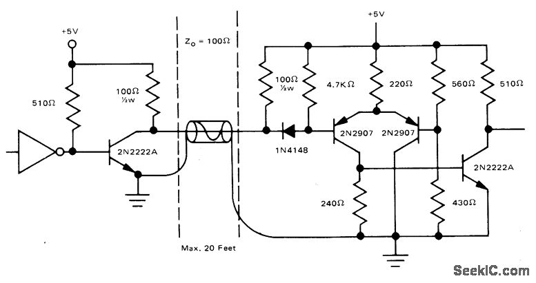
Permits transferring data signals from SA900/901 diskette storage drive to location of MC6800 microprocessor up to maximum of 20 feet away through 100-ohm coax. Data line drivers used are capable of sinking 100-mA in logic true state with maximum voltage of 0.3 V with respect to logic ground. When line driver is in logic false state, driver transistor is cut off and voltage at output of drive( is at least 3 V with respect to logic ground.- Microprocessor Applications Manual (Motorola Series in Solid-State Electronics), McGraw-Hill, New York, NY, 1975, p 5-211-5-212.
Reprinted Url Of This Article:
http://www.seekic.com/circuit_diagram/Basic_Circuit/INTERFACES_FOR_100_OHM_LINE.html
Print this Page | Comments | Reading(3)
Code: