Published:2009/7/7 2:21:00 Author:May | From:SeekIC

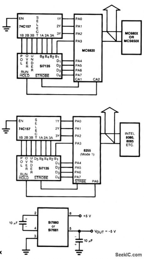
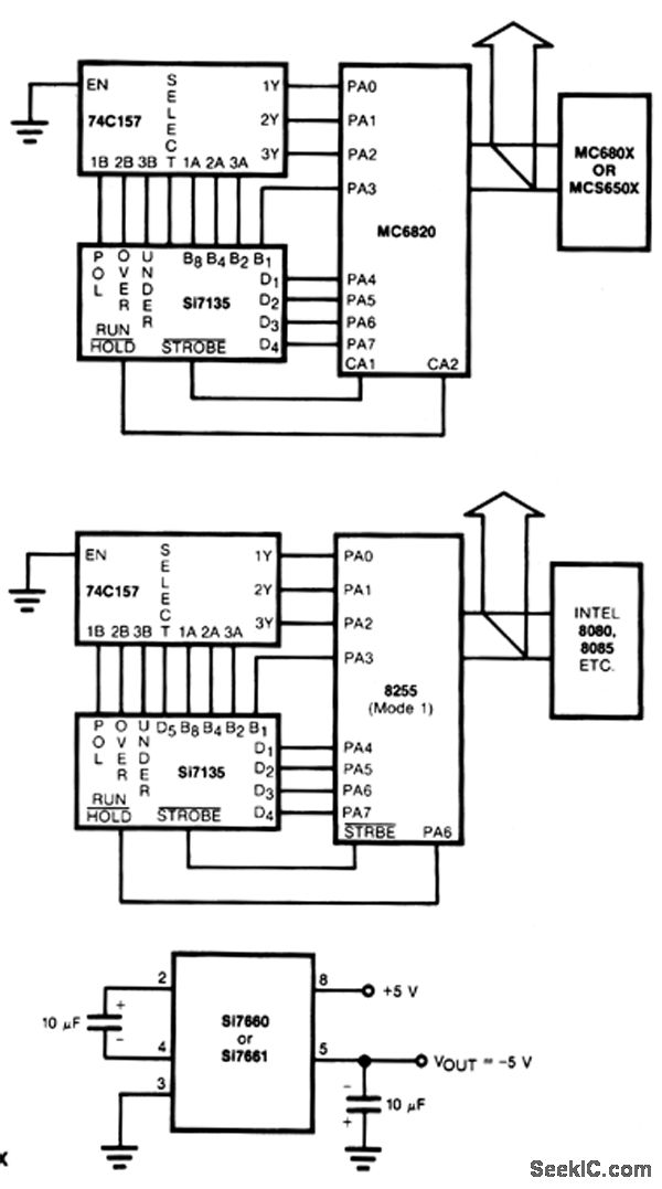
Circuits to interface the Si7135 directly with two popular microprocessors are shown in Figs. 18-2a and b. The 8080/8048 and the MC6800 families with 8-bit words need to have polarity, overrange, and underrange multiplexed onto the digit 5 word. In each case, the microprocessor can instruct the ADC when to begin a measurement and when to hold this measurement. The Si7135 is designed to work from ±5 V supplies. However, if a negative supply is not available, it can be generated using 2 capacitors, and an inexpensive Si7660 or Si7661 IC, as shown in Fig. 18-2c.
Reprinted Url Of This Article:
http://www.seekic.com/circuit_diagram/Basic_Circuit/INTERFACE_TO_680X_650X_AND_8080_FAMILIES.html
Print this Page | Comments | Reading(3)
Code: