Published:2009/7/13 21:30:00 Author:May | From:SeekIC

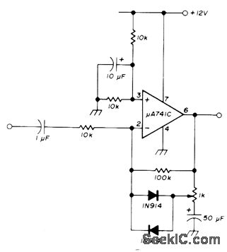
Developed for direct-conversion receivers that lack AGC, to provide limiting for CW reception. Below adjustable limiting threshold, amplifier is linear with voltage gain of 10. When output is high enough for silicon diodes to conduct, gain drops below unity.Amplifier should be preceded by several sections of filtering and followed by single-section low-pass filter to eliminate harmonic distortions generated in limiting process.-W. Hayward, Simple Active Filters for Direct-Conversion Receivers, Ham Radio, April 1974, p 12-15.
Reprinted Url Of This Article:
http://www.seekic.com/circuit_diagram/Basic_Circuit/INVERTER_LIMITER.html
Print this Page | Comments | Reading(3)
Code: