Published:2009/7/15 22:43:00 Author:Jessie | From:SeekIC

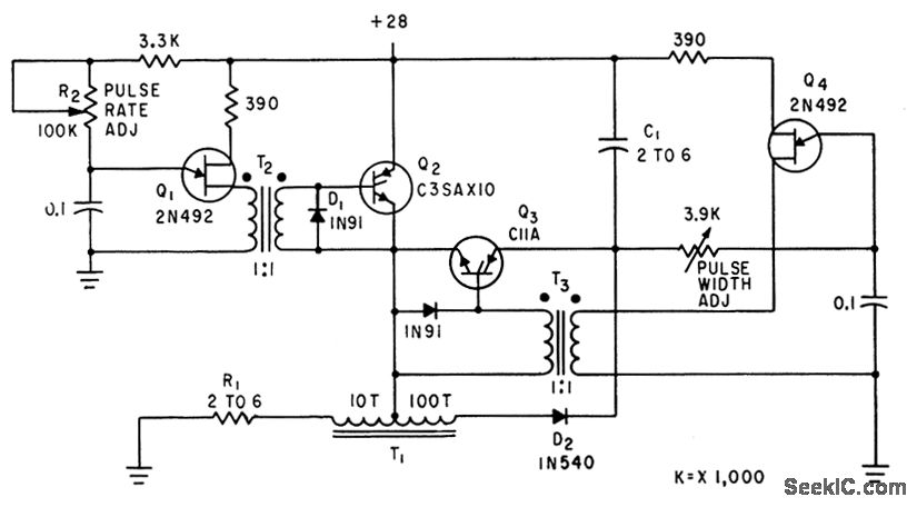
Load power factor variations do not affect turnoff time. Varying trigger rate of Q2 varies power delivered to R1. Trigger rate can be adjusted automatically for load regulation.-D. V. Jones, Turn-Off Circuits for Controlled Recliners, Electronics, 33:32, p 52-55.
Reprinted Url Of This Article:
http://www.seekic.com/circuit_diagram/Basic_Circuit/INVERTER_WITH_CAPACITOR_TURNOFF.html
Print this Page | Comments | Reading(3)
Code: