Published:2009/7/16 1:48:00 Author:Jessie | From:SeekIC

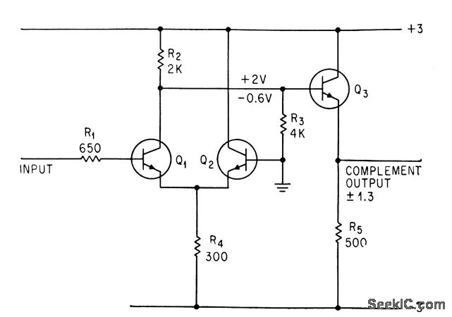
Only one transistor has isolated collector, so only three isolated lands are needed for integrated-circuit construction.-P. M. Thompson, Logic Principles for Multiemitter Transistors, Electronics, 36137, p 25-29.
Reprinted Url Of This Article:
http://www.seekic.com/circuit_diagram/Basic_Circuit/INVERTING_AMPLIFIER_GIVES_COMPLEMENT_OUTPUT.html
Print this Page | Comments | Reading(3)
Code: