Published:2011/9/2 1:18:00 Author:Ecco | Keyword: network, Ethernet interface | From:SeekIC

Reprinted Url Of This Article:
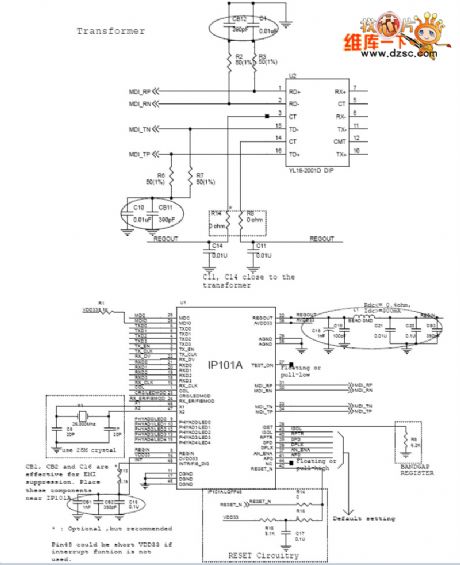
http://www.seekic.com/circuit_diagram/Basic_Circuit/IP101_network_Ethernet_interface_circuit_diagram.html
Print this Page | Comments | Reading(3)
Code: