Published:2009/7/14 8:21:00 Author:May | From:SeekIC

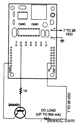
This circuit can be used to interface dc loads up to 500 mA to the IR remote control.
Reprinted Url Of This Article:
http://www.seekic.com/circuit_diagram/Basic_Circuit/IR_REMOTE_CONTROL_DC_INTERFACE.html
Print this Page | Comments | Reading(3)
Code: