Published:2009/7/14 8:23:00 Author:May | From:SeekIC

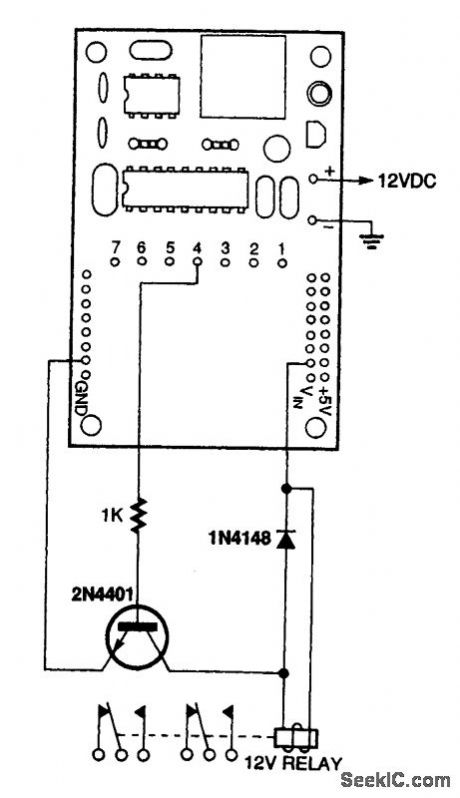
This circuit can be used to interface a relay to the IR remote control in order to control large ac or dc loads.
Reprinted Url Of This Article:
http://www.seekic.com/circuit_diagram/Basic_Circuit/IR_REMOTE_CONTROL_RELAY_INTERFACE.html
Print this Page | Comments | Reading(3)
Code: