Published:2009/7/16 3:11:00 Author:Jessie | From:SeekIC

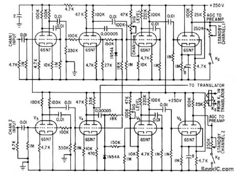
Amplifies signals from two amplifiers, and combines them at second, triode of V4 for translator.Signal here consists of positive-going pulse from channel 1 and negative-going pulse from channel 2, with distance between pulses indicating strip width.-F. J. Danks, Infrared Gage Measures Hot Steel Strip Width, Electronics, 33:43, p 65-67.
Reprinted Url Of This Article:
http://www.seekic.com/circuit_diagram/Basic_Circuit/IR_WIDTH_GAGE_AMPLIFIER.html
Print this Page | Comments | Reading(3)
Code: