Published:2009/7/14 21:35:00 Author:May | From:SeekIC

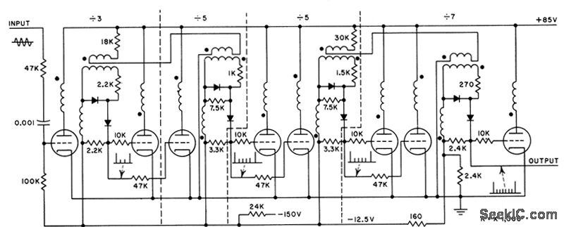
Magnetic-core frequency divider counts 31.5-kc input signal down by 525 to produce 40.v 10-microsec output at 60 pps. Bias windings are series-connected in pairs to simplify circuit. Gives high accuracy and stability.-A. Rose, Magnetic-Core Divider for ITV Sync Generators, Electronics, 31:15, p 76-77.
Reprinted Url Of This Article:
http://www.seekic.com/circuit_diagram/Basic_Circuit/ITV_DIVIDER_CHAIN.html
Print this Page | Comments | Reading(3)
Code: