Published:2011/8/10 3:52:00 Author:Ecco | Keyword: Incandescent, life extension device | From:SeekIC

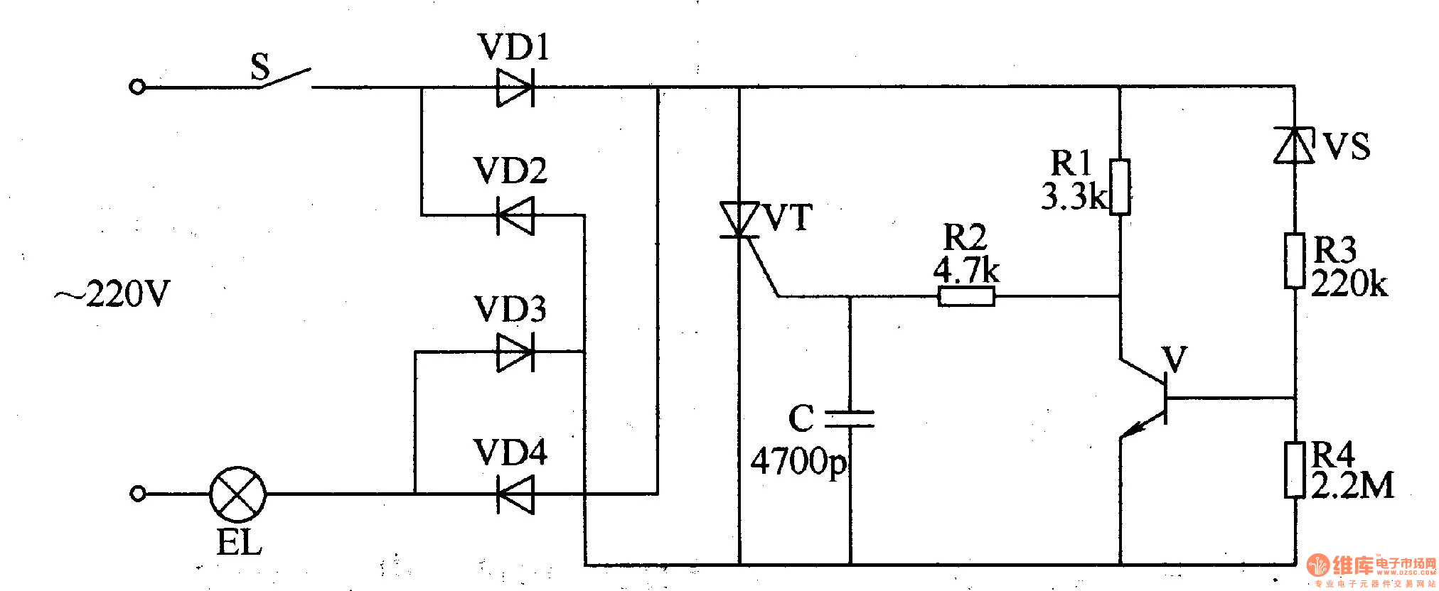
The incandescent life extension device circuit is composed of the rectifier diodes VDl-VD4, thyristor VT, resistors Rl-R4, capacitor C, voltage regulator diode VS and transistor V, and it is shown in Figure 3-197. Rl-R4 use 1/4W carbon film resistors or metal film resistors. C uses the high-frequency ceramic capacitor. VDl-VD4 select the 1N4007 silicon rectifier diodes. VS selects the 1/2W, 24V silicon zener diode. V uses C8050 or S8050, 3DGl2 other types of silicon NPN transistor. VT uses MCRlO0-6 or MCRlO0-8, BTl69D thyristor.
Reprinted Url Of This Article:
http://www.seekic.com/circuit_diagram/Basic_Circuit/Incandescent_life_extension_device_1.html
Print this Page | Comments | Reading(3)
Code: