Published:2011/8/10 3:55:00 Author:Ecco | Keyword: Incandescent, life extension device | From:SeekIC

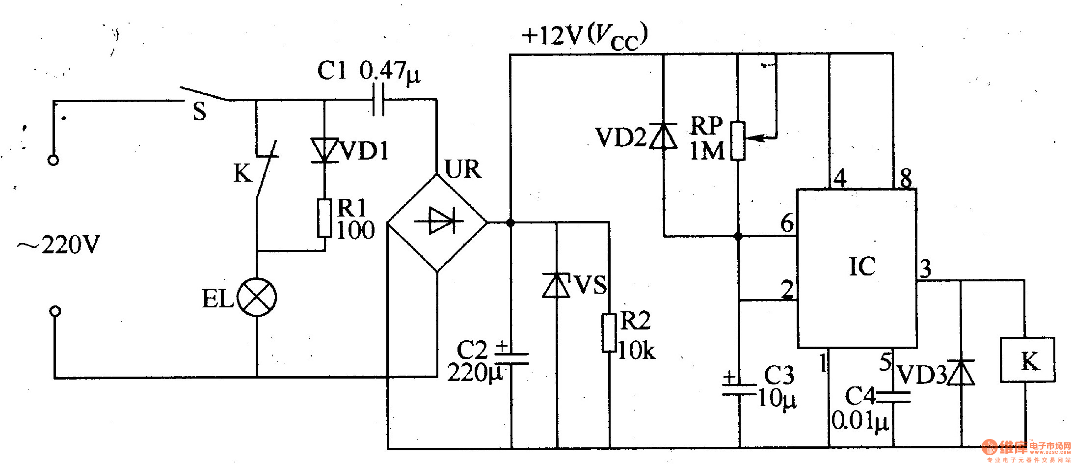
The incandescent life extension device circuit is composed of the filament preheating circuit, power supply circuit and delay control circuit, and it is shown in Figure 3-198. Filament preheating circuit consists of diode VDl, current limiting resistor Rl and incandescent EL. Power supply circuit is composed of the light switch, step-down circuit capacitor Cl, bridge rectifier UR, filter capacitor C2, resistor R2 and discharge regulator diode VS. Rl and R2 select the 1/2W metal film resistors. RP uses the small solid potentiometer or variable resistor. VDl selects the 1N4007 silicon rectifier diode; VD2 and VD3 choose the 1N4148 silicon switch diodes.
Reprinted Url Of This Article:
http://www.seekic.com/circuit_diagram/Basic_Circuit/Incandescent_life_extension_device_2.html
Print this Page | Comments | Reading(3)
Code: