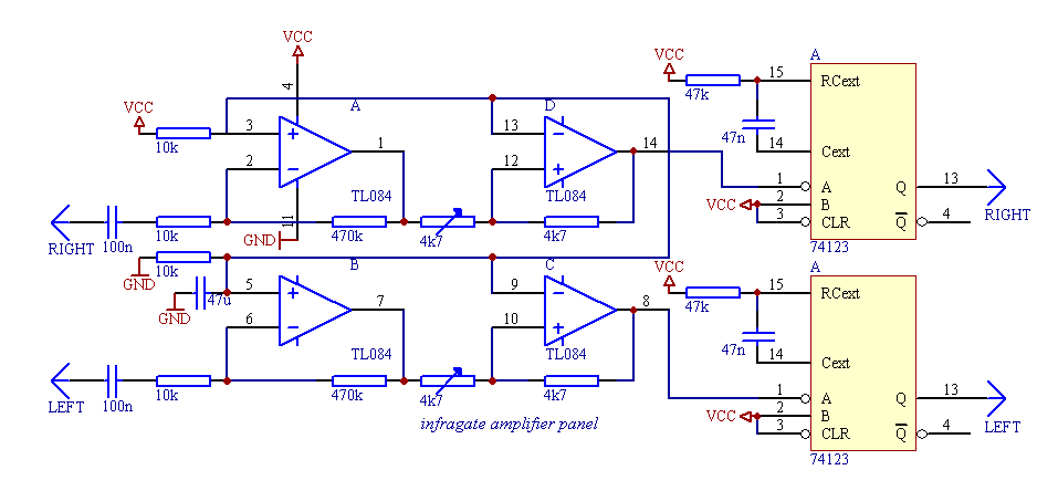
Published:2013/2/18 21:12:00 Author:muriel | Keyword: Infrared gate | From:SeekIC

Reprinted Url Of This Article:
http://www.seekic.com/circuit_diagram/Basic_Circuit/Infrared_gate_3.html
Print this Page | Comments | Reading(3)
Code: