Published:2009/7/24 13:51:00 Author:Jessie | From:SeekIC

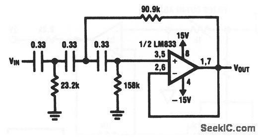
This circuit shows an LM833 connected as a filter for rejecting undesired infrasonic signals. The filter characteristic is 3rd-order Butterworth with the -3-dB frequency at 15 Hz. Resistors and capacitors should be 1%-tolerance components (although 5%-tolerance components can be substituted in less critical applications). National Semiconductor, Linear Applications Handbook, 1991, p. 944.
Reprinted Url Of This Article:
http://www.seekic.com/circuit_diagram/Basic_Circuit/Infrasonic_filter.html
Print this Page | Comments | Reading(3)
Code: