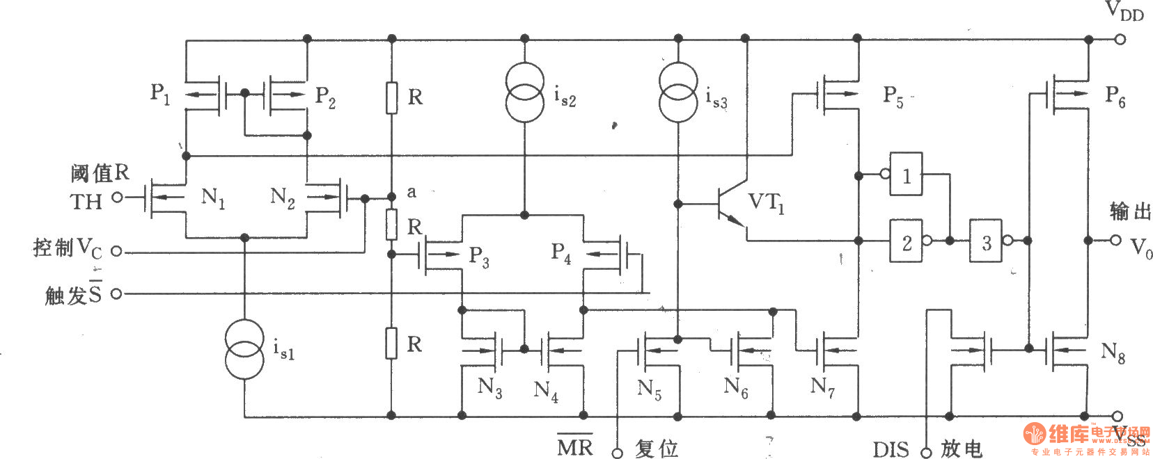
Published:2011/4/19 2:15:00 Author:Ecco | Keyword: CMOS, internal, equivalent circuit , time-base circuit | From:SeekIC


Reprinted Url Of This Article:
http://www.seekic.com/circuit_diagram/Basic_Circuit/Internal_equivalent_circuit_of_5G7556CMOS_time_base_circuit.html
Print this Page | Comments | Reading(3)
Code: