Published:2012/11/6 20:26:00 Author:Ecco | Keyword: Inverter , speed control , frequency meter, operation box | From:SeekIC

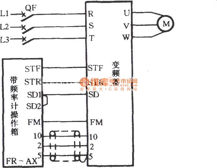
FR-AX is a frequency meter operation box. This operation box has the frequency meter and frequency setting potentiometer (it is not shown in figure) for manual control of the inverter to achieve positive and reverse speed and self - start control.
Reprinted Url Of This Article:
http://www.seekic.com/circuit_diagram/Basic_Circuit/Inverter_speed_control_circuit_with_a_frequency_meter_operation_box.html
Print this Page | Comments | Reading(3)
Code: