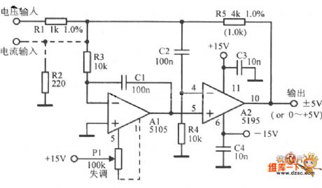
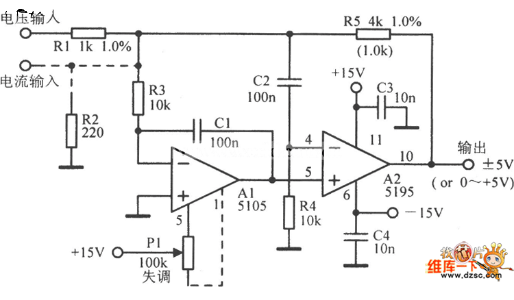
Published:2011/10/14 2:17:00 Author:Ecco | Keyword: Inverting amplifier , high speed | From:SeekIC

Reprinted Url Of This Article:
http://www.seekic.com/circuit_diagram/Basic_Circuit/Inverting_amplifier_circuit_diagram_with_high_speed.html
Print this Page | Comments | Reading(3)
Code: