Published:2012/12/17 2:36:00 Author:Ecco | Keyword: Isolation , directly driving , driver, MOS tube | From:SeekIC


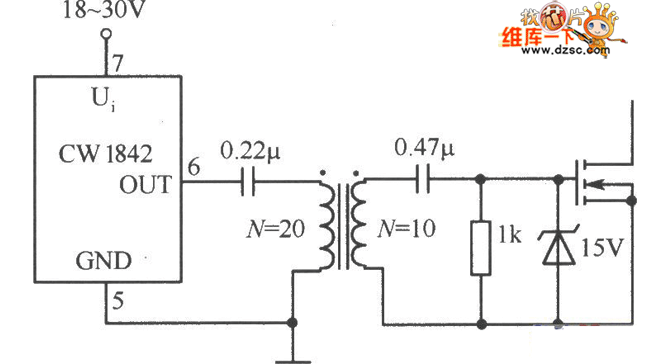
Isolation and directly driving CW1840 driver MOS tube circuit diagram is shown as the figure.
Reprinted Url Of This Article:
http://www.seekic.com/circuit_diagram/Basic_Circuit/Isolation_and_directly_driving_CW1840_driver_MOS_tube_circuit_diagram.html
Print this Page | Comments | Reading(3)
Code: