Published:2009/7/6 6:40:00 Author:May | From:SeekIC

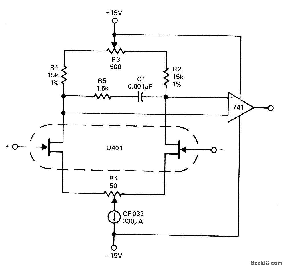
U401 dual JFET acting as preamp for standard bipolar opamp uses CR033 N-channel JFET as 330-pA current source. R4 is used to null initial offset. R3 is adjusted for minimum drift.- Analog Switches and Their Applications, Siliconix, Santa Clara, CA, 1976, p 7-51.
Reprinted Url Of This Article:
http://www.seekic.com/circuit_diagram/Basic_Circuit/JFET_INPUT.html
Print this Page | Comments | Reading(3)
Code: