Published:2009/7/8 23:50:00 Author:May | From:SeekIC

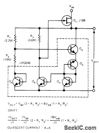
Use of JFET as series-pass element for LM3046 voltage regulator IC minimlzes battery drain In microprocessor systemapplications Pass element needs no preregu-lation because drive comes from reguiated output Gate source is isolated from line by drainand thus provides excellent line regulation.-J.Maxwell、Voltage Regulator Bridges Gap Between IC's and Zeners‘EDNMagazine.Sept 5、1977、p 178-179
Reprinted Url Of This Article:
http://www.seekic.com/circuit_diagram/Basic_Circuit/JFET_SERIES_PASS.html
Print this Page | Comments | Reading(3)
Code: