Published:2011/6/1 9:39:00 Author:Lena | Keyword: wireless, remote control, receiving, regulation | From:SeekIC



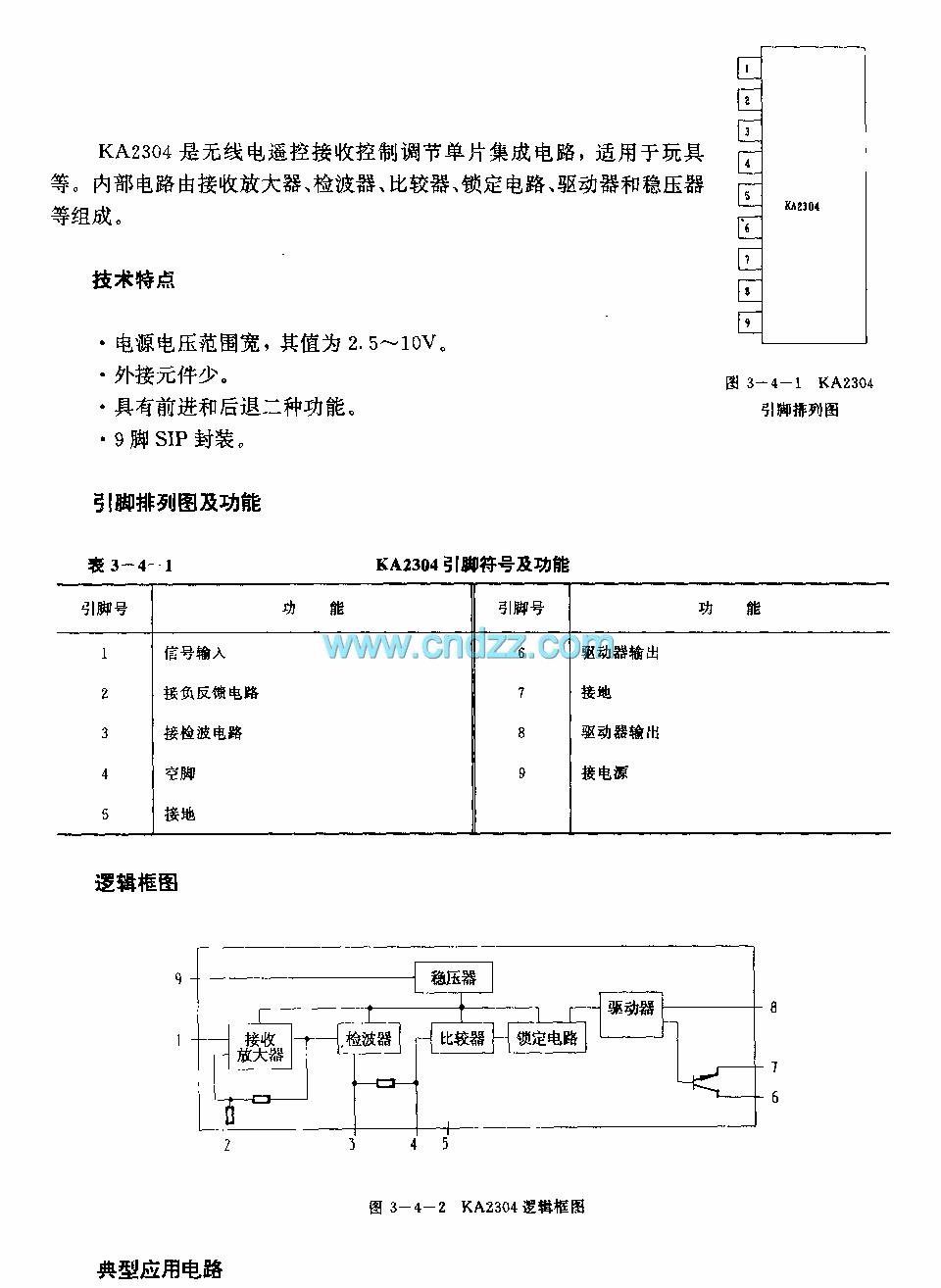
KA2304 is a wireless remote control receiving control regulation single integrated circuit which is applied to toys etc. Internal circuit consists of receiving amplifier, detector, comparator, lock circuit, driver and voltage regulator etc.
Technical characteristicWide power supply range, the value is 2.5~10V.Few external elementsThe circuit has two functions, go ahead and fall back.9-pin SIP package
Reprinted Url Of This Article:
http://www.seekic.com/circuit_diagram/Basic_Circuit/KA2304_toywireless_remote_control_receiving_control_regulation_circuit.html
Print this Page | Comments | Reading(3)
Code: