Published:2011/6/1 9:39:00 Author:Lena | Keyword: wireless, remote control, receiving, regulation | From:SeekIC



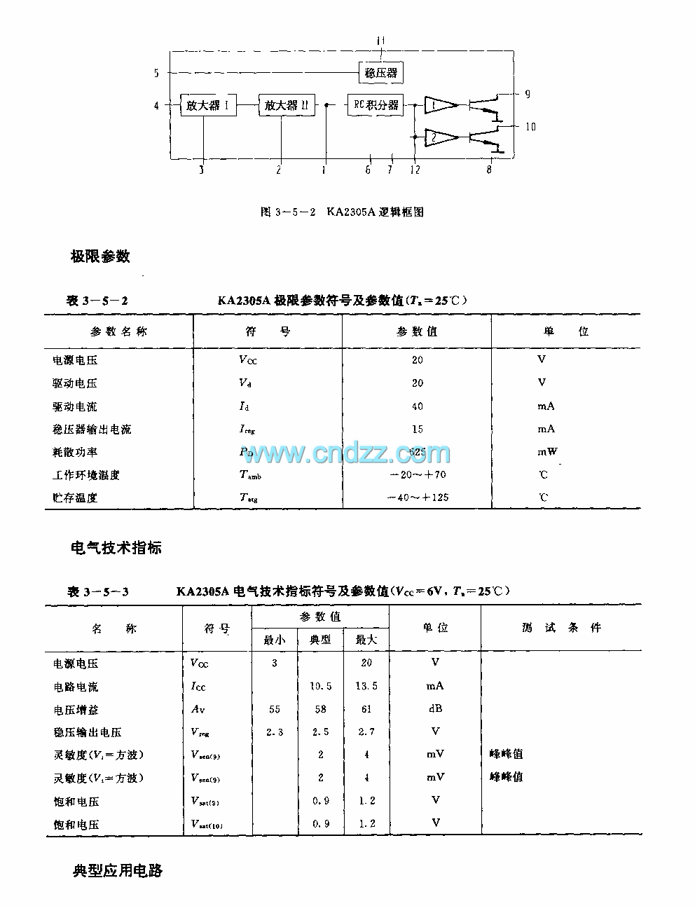
KA2305A is a wireless remote control receiving control regulation single integrated circuit applied to toys etc. Internal circuit consists of receiving amplifier, RC integrator, buffer and voltage regulator etc.
Technical characteristicWide power supply range, the value is 3-18V.The current is small when at rest, the typical value is 10.5mAFew external elementsThe circuit has three functions, go ahead, stop and fall back.12-pin SIP-SH package
Reprinted Url Of This Article:
http://www.seekic.com/circuit_diagram/Basic_Circuit/KA2305A_toywireless_remote_control_receiving_control_regulation_circuit.html
Print this Page | Comments | Reading(3)
Code: