Published:2011/6/1 9:39:00 Author:Lena | Keyword: wireless, remote control, receiving, regulation | From:SeekIC




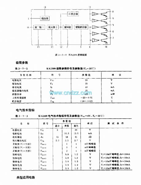
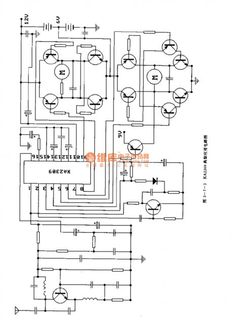
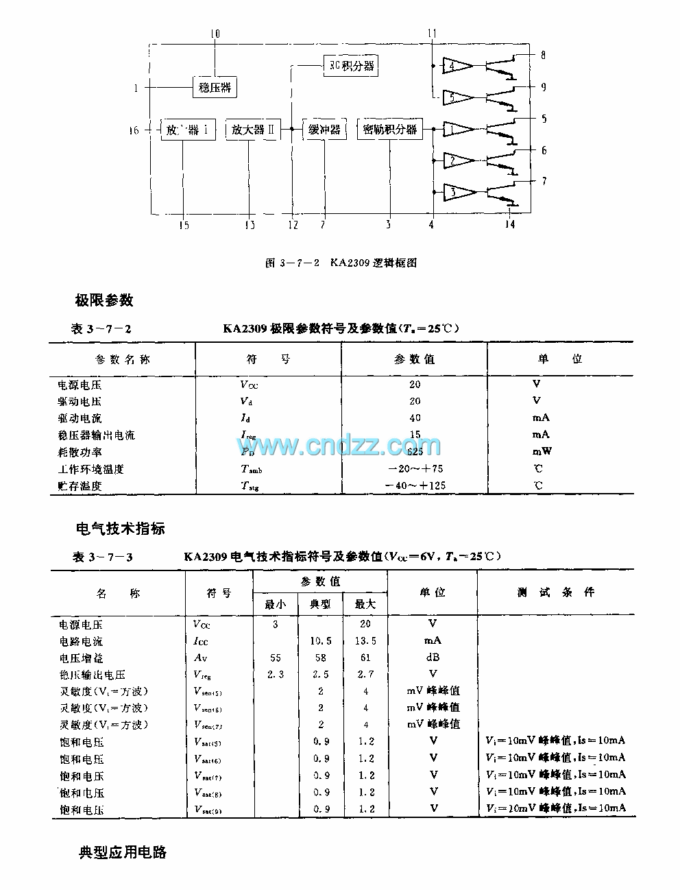
KA2309 is a wireless remote control receiving control regulation single integrated circuit applied to toys etc. Internal circuit consists of receiving amplifier, Miller integrator, RC integrator, buffer and voltage regulator etc.
Technical characteristicWide power supply range, the value is 3-18V.The current is small when at rest, the typical value is 10.5mAFew external elements Seven functions Integrated circuit with turbo circuitRelated type is KA2310
Reprinted Url Of This Article:
http://www.seekic.com/circuit_diagram/Basic_Circuit/KA2309toywireless_remote_control_receiving_control_regulation_circuit.html
Print this Page | Comments | Reading(3)
Code: