Published:2009/7/11 2:17:00 Author:May | From:SeekIC


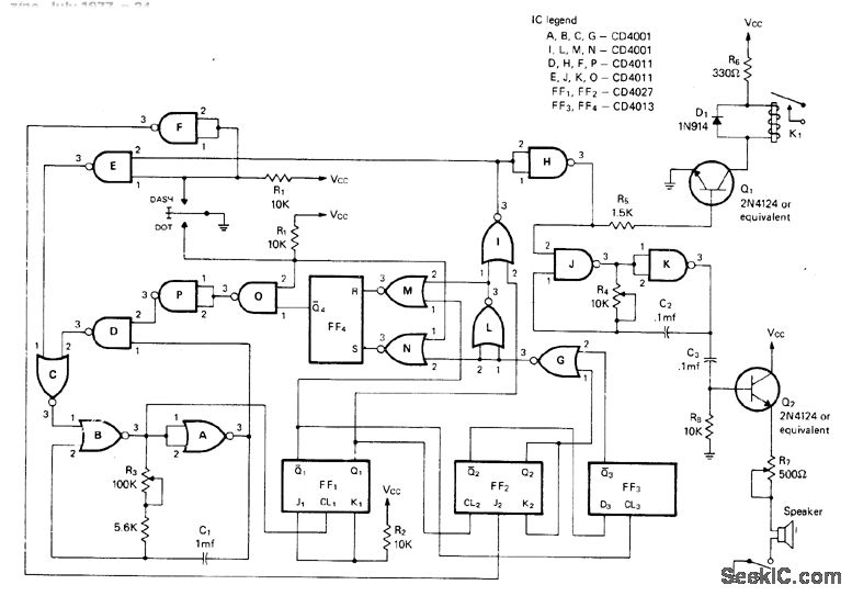
Includes sidetone oscillator and dash-dot memory along with variable speed, automatic spacing, and self-completing dots and dashes. If dot paddleis pressed and released while keyer is generating dash, dot is generated with correct spacing after dash is completed. Gates A, B, and C form gated MVBR.Gates D, E, O, and P serve to complete characters. JK flip-flops FF1 and FF2, D flip-flop FF3, and gates F, G, and L provide character-shaping required for dash-dot memory using gates M, N, and RS flip-flop FF4. Gates J and K generate audio sidetone. K1 is B & F Enterprises ERA21061 SPST reed relay. Supply can be 9-V battery.-T. R. Crawford, A Low-Power Cosmos Electronic Keyer in Two Versions, CQ, Nov.1975, p 17-24.
Reprinted Url Of This Article:
http://www.seekic.com/circuit_diagram/Basic_Circuit/KEYEB_WITH_4VlEMORY.html
Print this Page | Comments | Reading(3)
Code: