Published:2009/7/2 0:37:00 Author:May | From:SeekIC

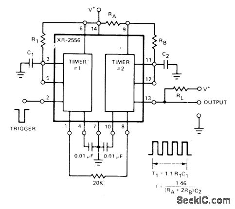
One section of Exar XR-2556 dual timer is operated in free-running mode, with other section used to provide ON/OFF keying. Frequency of oscillator is set by RA, RB, and C2. Timer 1 operates as mono MVBR with output connected to reset pin 8 of timer 2. Trigger drives pin 1 of timer 1 high, keying timer 2 on and producing tone-burst output for duration set by R1 and C1. Supply voltage is 4.5-16 V.- Timer Data Book, Exar Integrated Systems, Sunnyvale, CA, 1978, p 23-30.
Reprinted Url Of This Article:
http://www.seekic.com/circuit_diagram/Basic_Circuit/KEYED_FREE_RUNNING_MVBR.html
Print this Page | Comments | Reading(3)
Code: