Published:2009/7/11 4:57:00 Author:May | From:SeekIC

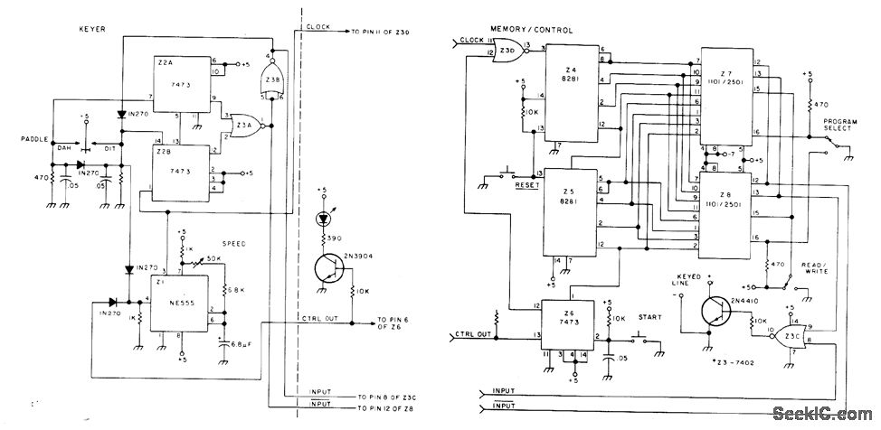
Clock Z1 is NE555 timergiving keying speed range of 5 to 35 WPM.Flip-flops Z2A and Z2B count clock pulses to provide self-completing dits and dahs with spaces. Z4 and Z5 are 4-bit binary counters used for addressing static 256 × 1 bit RAM. To program keyer, switch to write, hit START button, and feed in message on keyer paddle. To send message back, switch to read and hit START again. To clear address counter if error is made, or for changing message, hit RESET switch and start over again.-D. W. Sewhuk, Contest Special Kever, 73 Magazine, Feb. 1977, p 38.
Reprinted Url Of This Article:
http://www.seekic.com/circuit_diagram/Basic_Circuit/KEYER_WITH_MEMORY_2.html
Print this Page | Comments | Reading(3)
Code: