Published:2013/3/5 0:21:00 Author:Ecco | Keyword: KNIGHT RIDER | From:SeekIC

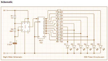
This circuit mimics the lights in knight rider's car. They flash one at a time chasing each other. Overview In the Knight Rider circuit, the 555 is wired as an oscillator (Astable mode). The output of the 555 is directly connected to the input of a 4017 decade counter. The input of the 4017 counter is called the CLOCK line. The 10 outputs Q0 to Q9 become active, one at a time, on the rising edge of the waveform from the 555. Each output can deliver about 20mA but a LED should not be connected to the output without a current-limiting resistor (100R or 220R). Using six 3mm LEDs, the display can be placed in the front of a model car to give a very realistic effect. The same outputs can be taken to driver transistors to produce a larger version of the display.
Reprinted Url Of This Article:
http://www.seekic.com/circuit_diagram/Basic_Circuit/KNIGHT_RIDER_Circuit.html
Print this Page | Comments | Reading(3)
Code: