Published:2012/9/18 2:00:00 Author:Ecco | Keyword: shutdown function achieving | From:SeekIC

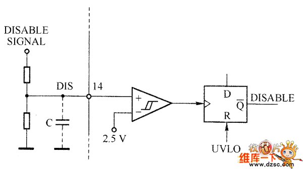
L5991's shutdown function is achieved by pin 14. When the voltage on the pin exceeds 2.5 V, the chip will be turned off, only VCC is pulled up to the UVLO threshold, the ffEF will has new start. The chip external force shutdown function can be achieved by the pin, and the circuit is shown in the figure. You can also use the pin to achieve overvoltage protection. In order to avoid the malfunction of this pin caused by noise spikes, in the actual using process, the circuit should bypass connect a thin film capacitor.
Reprinted Url Of This Article:
http://www.seekic.com/circuit_diagram/Basic_Circuit/L5991_shutdown_function_achieving_circuit_diagram.html
Print this Page | Comments | Reading(3)
Code: