Published:2009/7/16 3:48:00 Author:Jessie | From:SeekIC

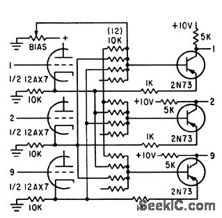
Selects single channel that has greatest amplitude, using single nor-like transistor circuit per channel-Base mixer resistance network establishes signal bias level at greatest signal level en countered in all except designated chancel-Channel transistor then conducts only when its signal at emitter is greater than all other signals.-L. R. Brown, Nonscanning Character Reader Uses Coded Wafer, Electronics, 33:48, p 115-117.
Reprinted Url Of This Article:
http://www.seekic.com/circuit_diagram/Basic_Circuit/LARGEST_SIGNAL_SELECTOR.html
Print this Page | Comments | Reading(3)
Code: