Published:2009/7/1 22:44:00 Author:May | From:SeekIC

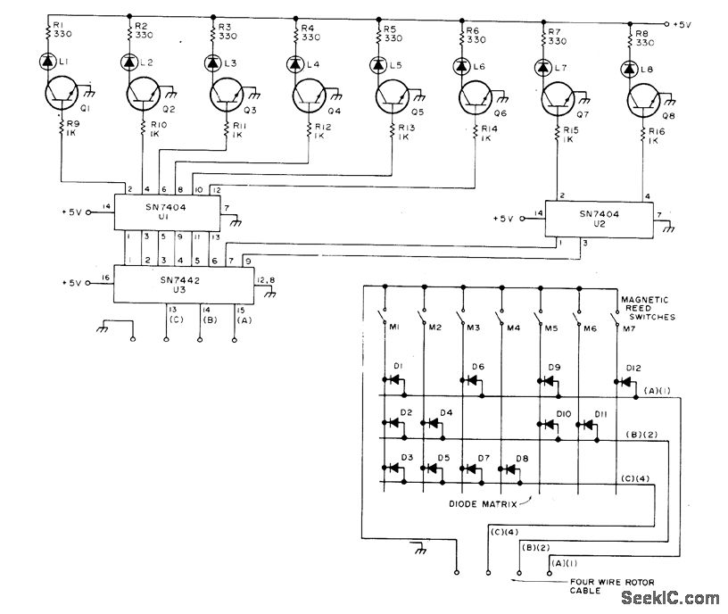
Ceramic magnet attached to rotor closes magnetic reed switches positioned at 45°intervals in circle around rotor. Eight wind directions are represented as 0-7 in binary notation,so 0= NW,1 = N,2 = NE,3=E,4=SE, 5 = S, 6 = SW, and 7 = W. Since 0 requires no switch, only seven switches are needed in rooftop indicator and only four wires need be run to binary decoder (wires A, B, C, and ground) driving LED readout in house. Transistors are 2N3641, and diodes in matrix used at vane location are 1N914 or 1N4148 silicon,-W. L.MacDowell, Digital Wind Direction Indicator, 73 Magazine, Nov. 1974, p 40-42.
Reprinted Url Of This Article:
http://www.seekic.com/circuit_diagram/Basic_Circuit/LED_WIND_VANE.html
Print this Page | Comments | Reading(3)
Code: