Published:2009/6/30 21:27:00 Author:May | From:SeekIC

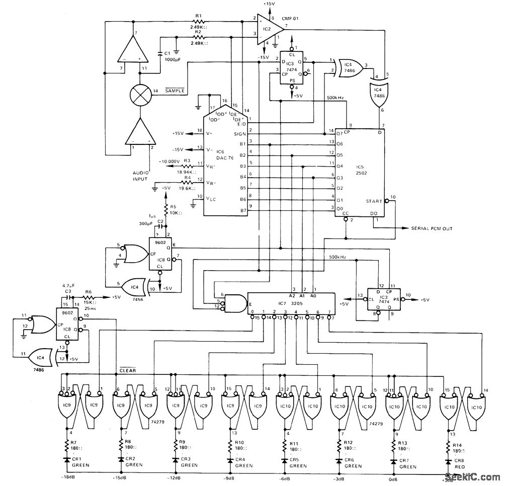
Exponential coding of Precision Monolithics DAC-76 D/A converter is used to good advantage in peak-reading VU indicator with logarithmic weighting, driving LED display, Input audio is converted by DAC-76,CMP-01 comparator,and 2502 successiveapproximation A/D converter after being sampled by sample-and-bold input circuit,A/D converter is clocked at 500kHz and completes conversion every 18μs,which is fast enough to track audio signals ,4 most significant magnitude bits drive 3205 1-of-8 decoder which is enabled by most significant bit,Resulting eight output levels,separated by 3-dB increments, drive 8-bit RS LATCH USING 74279 chips,updated every 25 ms hy 40-Hz display multiplex clock,-W.Jung and W.Ritmanich, Audio applicateions tof the DAC-76 Companding D/A Converter, Precision Monolithics,Santa Clara,CA 1977,AN-28, p 6
Reprinted Url Of This Article:
http://www.seekic.com/circuit_diagram/Basic_Circuit/LEDs_DISPLAY_VU_PEAKS.html
Print this Page | Comments | Reading(3)
Code: