Published:2009/7/2 20:09:00 Author:May | From:SeekIC

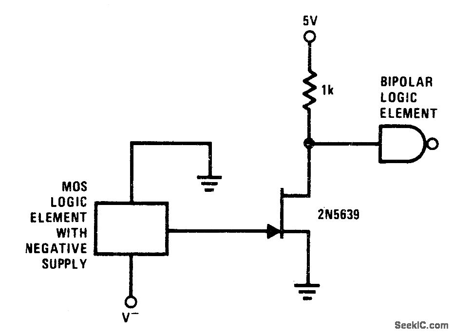
Simple FETcircuit provides for level shifting from MOS logic element having negative supply to TTL orother bipolar logic level operating from positivesupply and ground. Transistor has fast switching time.- FET Databook, National Semiconductor, Santa Clara, CA, 1977, p 6-26-6-36.
Reprinted Url Of This Article:
http://www.seekic.com/circuit_diagram/Basic_Circuit/LEVEL_AND_POLARITY_SHIFTER.html
Print this Page | Comments | Reading(3)
Code: