Published:2009/7/5 22:56:00 Author:May | From:SeekIC

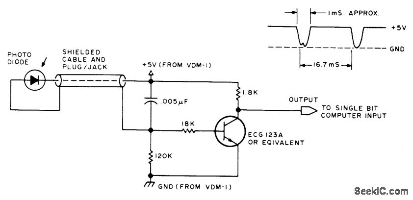
Any high-quality photodiode mounted in discarded housing of marking pen serves as pickup for holding against screen of video display. If diode is mounted in plastic lens, flatten end of lens with emery cloth to give narrower angle of acceptance. Developed for use with VDM-1 display terminal. Use CRO to monitor output as pen is moved across screen. Dark area on screen gives 5-VDC level, and white area gives dips. Article covers use in program design, editing memory dumps, and arranging complex displays.-J.Webster and J. Young, Add a $3 Light Pen to Your Video Display, BYTE, Feb, 1978, p 52, 54 56, and 58.
Reprinted Url Of This Article:
http://www.seekic.com/circuit_diagram/Basic_Circuit/LIGHT_PEN_WITH_INTERFACE.html
Print this Page | Comments | Reading(3)
Code: