Published:2009/7/7 22:00:00 Author:May | From:SeekIC

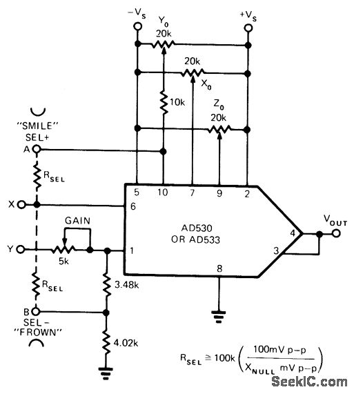
Adding resistors as shown to IC transconductance multiplier gives major improvement in X-input linearization. Article gives adjustment procedure. SMILE and FROWN terminal notes refer to X feedthrough pattern observed on CRO during setup, telling which position requires addition of RSEL resistor.-L. Counts, Reduce Multiplier Errors by up to an Order of Magnitude, EDN Magazine, March 20, 1974, p 65-68.
Reprinted Url Of This Article:
http://www.seekic.com/circuit_diagram/Basic_Circuit/LINEARIZING_X_INPUT.html
Print this Page | Comments | Reading(3)
Code: