Published:2009/7/5 22:27:00 Author:May | From:SeekIC

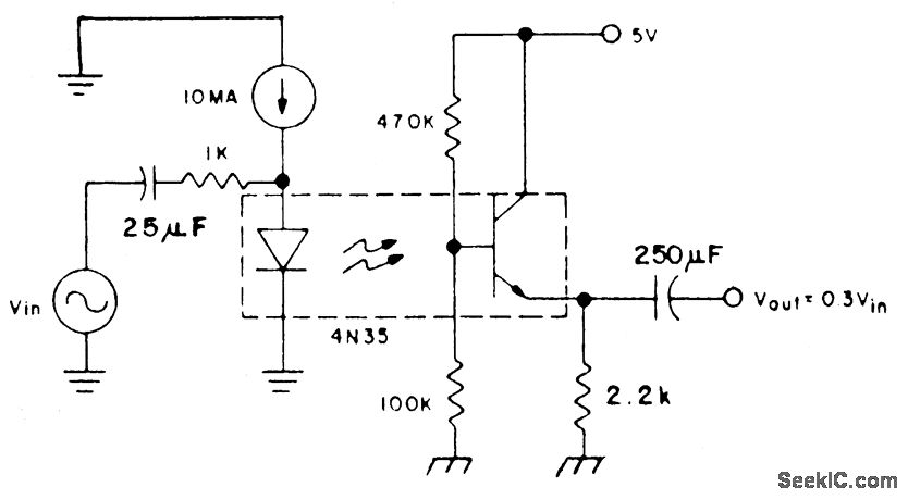
With the coupler biased in the linear region by the 10 mA dc bias on the IRED and the voltage divider on the phototransistor base, photodiode current flows out of the base into the voltage divider, producing an ac voltage proportional to the ac current in the IRED. The transistor is biased as an emitter follower and requires less than 10% of the photodiode current to produce the low impedance ac output across the emitter resistor. Note that the H11AV1 may be substituted for the 4N35 to provide VDE line voltage rated isolation of less than 0.5 pF.
Reprinted Url Of This Article:
http://www.seekic.com/circuit_diagram/Basic_Circuit/LINEAR_AC_ANALOG_COUPLER.html
Print this Page | Comments | Reading(3)
Code: