Published:2009/7/5 22:29:00 Author:May | From:SeekIC

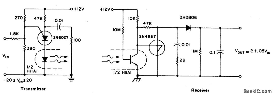
The minimum parts count version of this system provides isolated, linear signal transfer useful at shorter distances or with an optocoupler for linear information transfer.
Although the output is low level and cannot be loaded significantly without harming accuracy, a single LC. operational or instrumentation amplifier can supply both the lin-ear gain and buffering for use with a variety of loads.
Reprinted Url Of This Article:
http://www.seekic.com/circuit_diagram/Basic_Circuit/LINEAR_ANALOG_COUPLER.html
Print this Page | Comments | Reading(3)
Code: